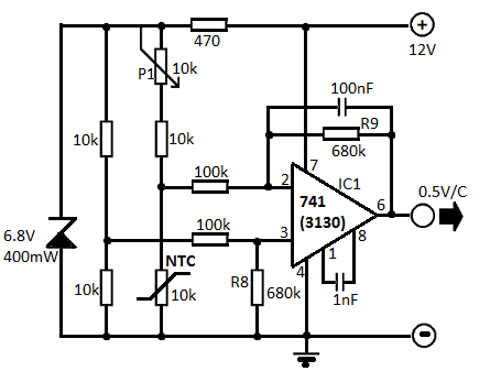
Temperature to Voltage Converter

Conversion factor depends on the type of thermistor (NTC) resistance used. If you want to read the temperature directly on an universal measurement device then the value of R9 must be choosed, so that the desired sensitivity is achieved (R8 must be equal with R9).
The power supply voltage level is not critical; D1 zener voltage can be between 4.7 V and 8.2 V. The current consumption is about 12 mA.